Bonsoir à tous,
Je suis en train de monter un Akula de Saleships comme je l'ai dit dans d'autres posts. Là je suis sur la partie Ballast. Le caisson est en cours de finition, je voudrais maintenant m'atteler au montage du ballast proportionnel de 750 ml que j'ai acheté chez ADX models l'année dernière. Ca fait plus d'un mois que j'harcèle Aurélien, pas de réponse aux nombreux mails que je lui ai écris, je suis pas du tout satisfait.
Aussi, peut etre certains sur le forum pourront ils me filer un coup de main. J'ai préparé un petit montage simple via paint sur mon ordi, fait des zooms sur les diodes et les switch. ceux qui connaissent pourront retoucher cette photoen me montrant ou faire les connexions et dans quel sens. Avec le plan de montage fourni, ça a l'air d'aller dansun sens mais dans l'autre ça coupe. (sens des diodes? bonne connexion sur les switchs?)
montage ballast piston proportionnel
- Patjabix
- Modérateur
- Messages : 5070
- Inscription : 06 janv. 2010 00:13
- Localisation : Savas (Ardèche)
Re: montage ballast piston proportionnel
Salut,
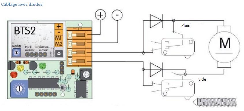
Regarde le schéma du BTS de Norbert Bruggen,
Le câblage des deux switch n'est pas identique.
En espérant que cela t'aide.
Regarde le schéma du BTS de Norbert Bruggen,
Le câblage des deux switch n'est pas identique.
En espérant que cela t'aide.
Re: montage ballast piston proportionnel
salut,
peut tu mettre des photos de tes travaux actuels STP, merci
peut tu mettre des photos de tes travaux actuels STP, merci
-
guillaumeZ02
Re: montage ballast piston proportionnel
voici quelques photos de mon akula en cours de montage,
-
guillaumeZ02
Re: montage ballast piston proportionnel
Bonjourà tous,
ça y est le ballast est cablé, tout va bien vu que le fail safe fonctionne. Maintenant, autre soucis dans la programmation du module proportionnel d'ADX. En suivant bien le déroulé de la procédure de programmation, je suis bloqué. Voci en quoi cela consiste, étapes par étapes:
1. Circuit correctement cablé, carte connectée, radio sur "on" et commande sur "surface". OK
2. Allumage du recepteur, le piston bouge vers "surface", dans ce cas le LED rouge flashe, ce qui indique la commutation du capteur "hall". Pas d'allumage de la LED rouge, pas anormal car le piston est déjà sur "surface"
3. Après cela, la LED verte flashe simplement le circuit mesure le signal "surface". OK
4. La LED verte flashe maintenant deux fois, pousser la commande vers "plongée", le circuit mesure le signal. OK
5. La LED verte flashes trois fois, un choix entre le mode linéaire et 20/80% doit etre fait. OK je veux être en linéaire
6. Si la carte est enlevée, la commande encore sur le mode "plongée", le circuit est programmé sur le mode linéaire et la LED rouge s'allume. NON, au retrait de la carte, le piston se déplace 5 secondes vers "plongée" et s'arrete. Plus de mouvement, seule la LED Verte clignote sans fin.
7. Si la commande est poussée vers "surface", (led rouge allumée) et la carte enlevée, le circuit est programmé sur le mode 20/80%.
8. Le contrôleur commence à mesurer la longueur du piston, dans ce cas la LED rouge indique la commutation du capteur Hall, le piston bouge de "surface" à "plongée" (comptage et intégration du nombre de tours).
9. Ensuite, le piston bouge temporairement vers "surface" en vue de mesurer la course et le piston est stopppé après un court délais.
Le piston doit maintenant bouger dans la bonne position et la LED verte est en permanence allumée.
Je pense pas que ce soit un problème lié à l'alignement des aimants et du capteur: en démontant tout et en refaisant la procédure les aimants parfaitement alignés, ça marche pas.
Résolution des problèmes du fabriquant: pas traduit mais je trouve pas de réponse.
Possible faults:
In the learning-mode:
1. The green LED flashes always once (or twice) during the setup and the program does not continue:
The received signal is either not constant (interference) or has an invalid value. It is possible that it is too small, too
large, or is too close to the mid value (1.3-1.7 ms). Possibly the difference from flood value to the blow value is too
small.
2. Red LED does not flash:
Check the Hall sensor and magnets, possibly magnetic interference close by? Distance of the Hall sensor to the
magnets is too large?
3. Green LED flashes erratically during the setup:
Pump length not possible.
a) Maybe there were no impulses from the hall-sensor?b) Or there are more than 65500 impulses?
c) Or the run-on is too large >= 200 magnetic impulses.
ça y est le ballast est cablé, tout va bien vu que le fail safe fonctionne. Maintenant, autre soucis dans la programmation du module proportionnel d'ADX. En suivant bien le déroulé de la procédure de programmation, je suis bloqué. Voci en quoi cela consiste, étapes par étapes:
1. Circuit correctement cablé, carte connectée, radio sur "on" et commande sur "surface". OK
2. Allumage du recepteur, le piston bouge vers "surface", dans ce cas le LED rouge flashe, ce qui indique la commutation du capteur "hall". Pas d'allumage de la LED rouge, pas anormal car le piston est déjà sur "surface"
3. Après cela, la LED verte flashe simplement le circuit mesure le signal "surface". OK
4. La LED verte flashe maintenant deux fois, pousser la commande vers "plongée", le circuit mesure le signal. OK
5. La LED verte flashes trois fois, un choix entre le mode linéaire et 20/80% doit etre fait. OK je veux être en linéaire
6. Si la carte est enlevée, la commande encore sur le mode "plongée", le circuit est programmé sur le mode linéaire et la LED rouge s'allume. NON, au retrait de la carte, le piston se déplace 5 secondes vers "plongée" et s'arrete. Plus de mouvement, seule la LED Verte clignote sans fin.
7. Si la commande est poussée vers "surface", (led rouge allumée) et la carte enlevée, le circuit est programmé sur le mode 20/80%.
8. Le contrôleur commence à mesurer la longueur du piston, dans ce cas la LED rouge indique la commutation du capteur Hall, le piston bouge de "surface" à "plongée" (comptage et intégration du nombre de tours).
9. Ensuite, le piston bouge temporairement vers "surface" en vue de mesurer la course et le piston est stopppé après un court délais.
Le piston doit maintenant bouger dans la bonne position et la LED verte est en permanence allumée.
Je pense pas que ce soit un problème lié à l'alignement des aimants et du capteur: en démontant tout et en refaisant la procédure les aimants parfaitement alignés, ça marche pas.
Résolution des problèmes du fabriquant: pas traduit mais je trouve pas de réponse.
Possible faults:
In the learning-mode:
1. The green LED flashes always once (or twice) during the setup and the program does not continue:
The received signal is either not constant (interference) or has an invalid value. It is possible that it is too small, too
large, or is too close to the mid value (1.3-1.7 ms). Possibly the difference from flood value to the blow value is too
small.
2. Red LED does not flash:
Check the Hall sensor and magnets, possibly magnetic interference close by? Distance of the Hall sensor to the
magnets is too large?
3. Green LED flashes erratically during the setup:
Pump length not possible.
a) Maybe there were no impulses from the hall-sensor?b) Or there are more than 65500 impulses?
c) Or the run-on is too large >= 200 magnetic impulses.
